插头信息
新加坡(Singapore) 插头详细信息-宁波乔普电器有限公司
- 2011-08-16 20:45:27
-

新加坡(Singapore) 插头详细信息
范围:亚洲 Asia
地区:新加坡 Singapore
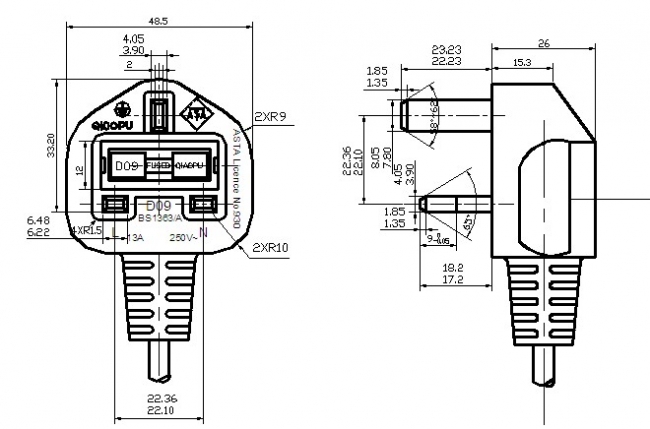
说明:三极与英国相似
电流:13A
电压:230V
频率:50Hz
转换插头:英标
确认指数:★★★★★英式标准插头(品字形插头)说明:
英式标准插头(品字形插头)按BS 1363 制造标准执行,也叫英标。自1962年至今英国官方插头标准一直沿用BS 1363。 英标也用在爱尔兰、香港、马来西亚和新加坡等英属殖民地国家。英国标准的插头是品字形、矩形柱状,截面大、耐受大电流,是众多插头标准里最安全的插头之一。英标电源插座有保护门设计,可以防止异物插入或者防止误插入,更加安全可靠。插头插座是强制接受英国ASTA测试认证机构的认证和电器测试。英标插头的电气参数是 3-13A/250VAC以上信息由宁波乔普电器有限公司技术部提供
- 上一篇 [返回首页] [打印] [返回上页] 下一篇



